00971(04) 876 8737
00 971 52 264 3919
sales@rayo-mme.com

Twin Disc

ARNESON SURFACE DRIVES
ASD15

DESCRIPTION

Aluminum in-line (ASD15A1S & ASD15A1l)
  • Aluminum thrust assembly
  • Internal lube oil reservoir
  • Steering cylinder with external hoses and fittings
  • Trim cylinder with external hoses and fittings
  • Installation manual, owner’s manual and drive ball wrench (one per ship set)

ACCESSORIES

  • Anode Kit
  • Cylinder position indicator kits with gauge
  • Hydraulic power steering system
  • Gearbox adapter
  • Driveline (cardan shaft)
  • Companion (input) flange
  • Tie-bar (mechanical or hydraulic – for multiple engine vessels)
  • Propeller

TECHNICAL DATA

ASD15A1S

ASD15A1L

Reduction Ratio

1.00:1

1.00:1

Maximum Input Torque

11,500 ft-lbs

13,500 ft-lbs

Unit Weight

1,500 lbs

1,540 lbs

Overall Length

78”

78”

Nominal Shaft Diameter

4.5”

4.5”

Steering Angle

36°

36°

Trim Angle

15°

15°

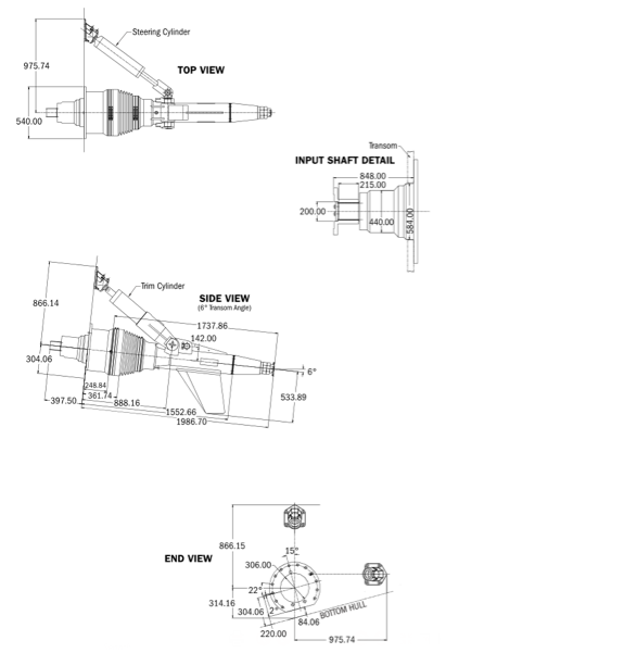
SCHEMATICS

© 2024 raYo marine
Powered by linksmedia