00971(04) 876 8737
00 971 52 264 3919
sales@rayo-mme.com

Twin Disc

ARNESON SURFACE DRIVES
ASD14

DESCRIPTION

  • Bronze in-line (ASD14B1l)
  • Bronze thrust assembly
  • Internal lube oil reservoir
  • Steering cylinder with external hoses and fittings
  • Trim cylinder with external hoses and fittings
  • Standard (or optional longer) fin
  • Installation manual, owner’s manual and drive ball wrench (one per ship set)

ACCESSORIES

  • Anode Kit
  • Cylinder position indicator kits with gauge
  • Hydraulic power steering system
  • Gearbox adapter
  • Driveline (cardan shaft)
  • Companion (input) flange
  • Tie-bar (mechanical or hydraulic – for multiple engine vessels)
  • Inboard cylinder mounting kit
  • Propeller

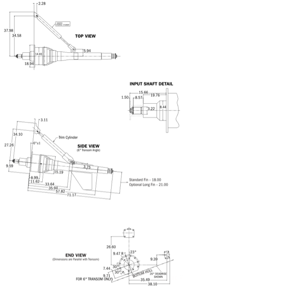
TECHNICAL DATA

Reduction Ratio 1.00:1
Maximum Input Torque 8000 ft-lbs
Unit Weight 1135 lbs
Overall Length 71”
Nominal Shaft Diameter 3.5”
Steering Angle 40°
Trim Angle 15°

SCHEMATICS

© 2024 raYo marine
Powered by linksmedia